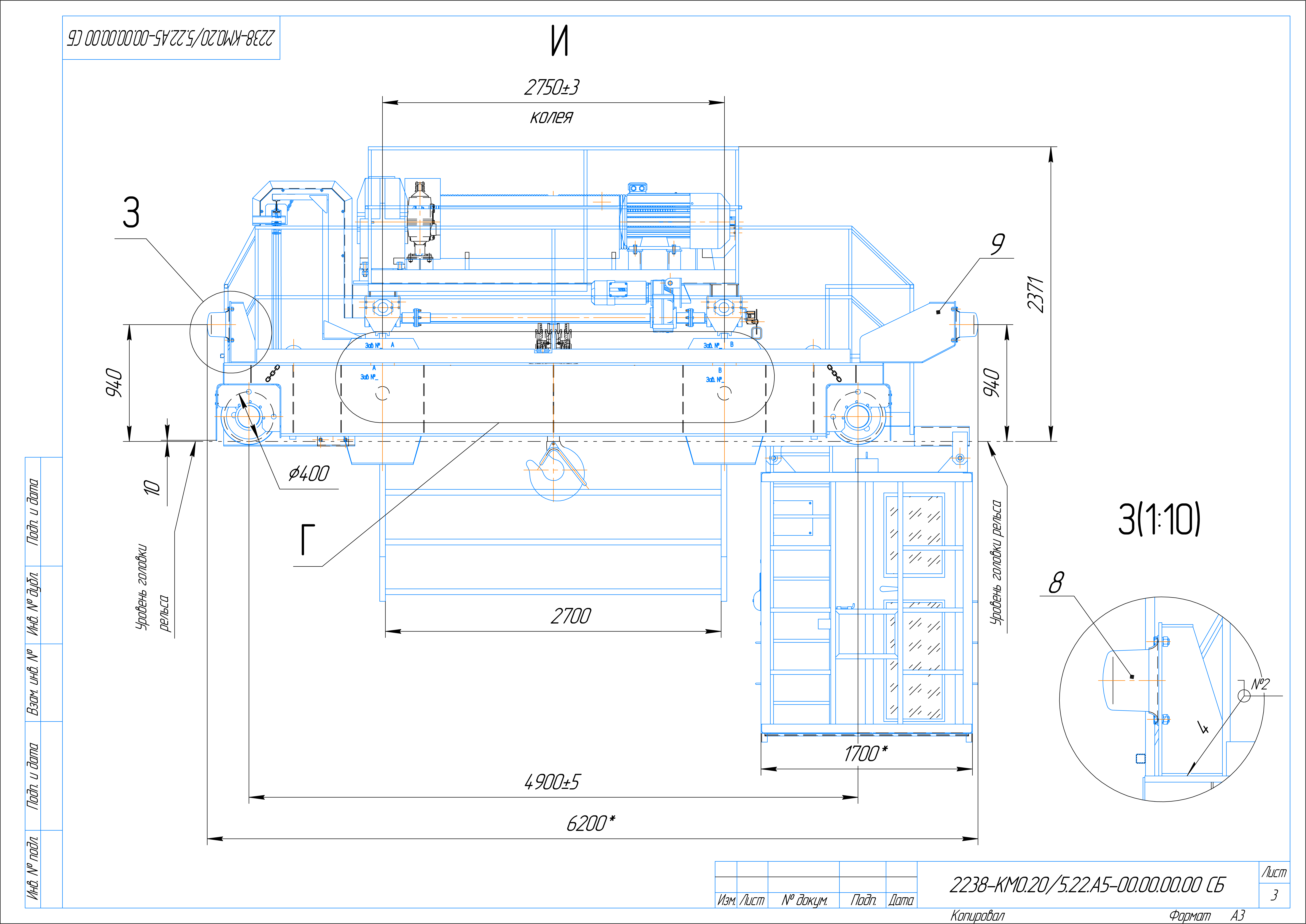
Кран мостовой двухбалочный​ г/п 20/5 тонн

Мы изготовили и смонтировали кран мостовой электрический г/п 20/5 тонн, управление краном осуществляется из кабины, с магнитной траверсой, пролет 22 метра, режим работы ​ А5, предназначен для транспортировки металла.
Грузоподъемность, т.
20/5
Пролёт Lк, м:
22
Высота подъёма, м:
16
Режим работы
A5
Температура окружающей среды
-20 +40
Исполнение
Общепромышленное
Управление
Из кабины
Проектирование
Проектирование мостового двухбалочного крана​ г/п 20/5 тонн, пролёт 22 метра
Изготовление крана
Стапельная сборка мостового двухбалочного крана
Отгрузка мостового двухбалочного крана
Отгрузка крана клиенту производится собственным специализированным транспортом.